
山东光伏区发电项目热浸塑钢丝网围栏专业生产厂家:
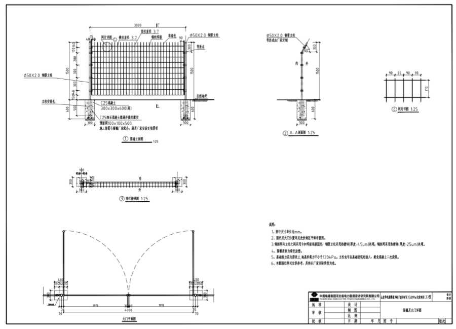
1、图中尺寸单位为mm。
2、围栏及大门位置详见光伏场区平面布置图。
3、钢丝网与立柱之间采用卡扣焊接连接固定,钢管立柱用热镀锌(厚度>45um)处理,钢丝网采用热镀锌(厚度>25um)处理。
4、围栅表面为绿色涂塑。
5、基础持力层为原状土,地基承载力不小于120kPa。立柱也可在基础浇筑时插入,避免混凝土二次浇筑。
6、本图围栏样式仅供参考,具体以厂家实际供货为准。


河北振兴金源丝网集团有限公司
联系人:李经理:18730835151(微信同号)
电话:0318-8090606  传真:0318-8090660
公司地址:河北安平县丝网工业园东区